안녕하세요, 센서와 스위치를 다잡는 센서보이 입니다.
이번 글에서는 서지 보호기(Surge Protector)에 대해 알아보겠습니다.
서지(Surge)란, Line 또는 회로를 따라서 전달되며, 급속히 증가하고 서서히 감소하는 특성을 지닌 전기적 전류, 전압, 또는 전력의 과도파형 입니다.
서지는 자연현상에 의한 서지와 개폐 및 기동에 의한 서지로 나뉠 수 있으며, 이로 인한 장비 파손을 방지하기 위해 서지 보호기를 장착합니다.
서지(Surge)의 종류
- 직격뢰 (Direct Strike) : 낙뢰가 구조물, 장비, 전력선 등에 직접 뇌격하는 것으로, 약 20kV 이상의 전압과 수kA ~ 300kA 이상의 과전류가 발생합니다.
- 간접뢰 (Indirect Lightning) : 송전, 통신선로에 뇌격하여 선로를 통하여 Surge가 전도되는 것으로, 발생 빈도가 가장 많으며 6,000V 이상의 매우 큰 에너지를 가지고 있어 피해가 가장 많습니다.
- 유도뢰 (Inducement Lightning) : 낙뢰지점 인근대지에 매설된 전원선, 통신선, 금속파이프 등 도체를 통하여 유도되는 고전압 고전류 유입에 의해 접지전위의 급상승, 서지(Surge)가 발생합니다.
- 변전소에서 고압전력 공급선을 스위칭 할 때 최고 6,000V 개폐 서지(Surge) 발생합니다.
- 분전함 주전원 스위치를 작동 할 때 최고 3,000V 개폐 서지(Surge) 발생합니다.
- 중장비 시동 시 최고 3,000V의 서지(Surge) 발생합니다.
- 아크용접기, 컴프레셔, 진공청소기 등을 사용할 때 400~1,000V의 노이즈가 발생합니다.

서지(Surge)의 유입 경로
서지(Surge)가 최종적으로 전기 및 전자장비에 유입되는 경로는 아래와 같이 크게 세 가지로 구분됩니다.
낙뢰가 지상의 피뢰침, 건축 구조물, 전력선, 안테나, 배관 등에 직접 떨어지는 현상으로서, 뇌방전 에너지 전체가 유입되어 극심한 파괴력을 동반합니다.
일반적으로 뇌격전류의 진행경로 주변의 전기기기나 전자장비 등은 파손되며, 화재 발생의 위험성도 높습니다.
건축물로부터 어느 정도 거리에 떨어진 지역에서 직격뢰가 발생한 경우로서, 뇌방전 에너지 일부가 외부 인입선과 접지계통을 경유하여 간접적으로 설비에 유입됩니다.
낙뢰가 건물의 피뢰침에 낙뢰, 또는 지상건축물 주변의 나무나 지표에 떨어지거나 근거리에서 뇌운간의 방전시 강한 전자파유도로 나타나는 현상으로서, 건물 내의 전력선이나 통신, 신호 선로의 중간 지점에서도 발생할 수 있습니다.


서지보호기 원리
서지보호기란, 말 그대로 서지(Surge)로 부터 각종 장비들을 보호하는 장치입니다.
국내에서는 주로 서지보호기, SPD(Surge Protective Device), Surge Arrest, TVSS(Transient Voltage Surge Suppressor) 등으로 부릅니다.
서지보호기를 설치하는 목적은 어떠한 이유로 해서 계통에 서지 전류가 들어올 때, 서지 전류가 서지보호기를 통해 흐르도록 하여 부하를 보호하려는 것입니다.
주요 소자로는 MOV(Metal Oxide Varistor)를 사용하는데, 이는 정상상태에서 매우 큰 임피던스를 가지는 부품입니다.
여기에 전압 서지가 걸리면 임피던스가 급격히 낮아져 서지를 흘려보내는 저임피던스 통로가 형성됩니다.
서지보호기에는 막대한 전류가 흘러도 전압이 크게 상승하지 않습니다.


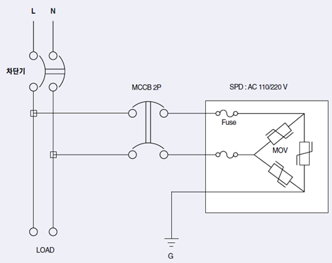
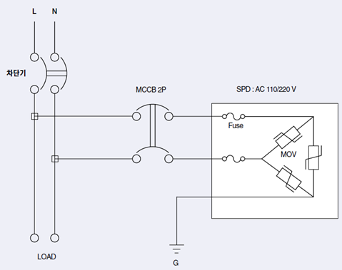
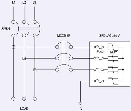
서지보호기 설치
서지보호기는 하기 도식과 같은 방식으로 회로에 접속되며, 정확한 접속 방법은 각 제조사의 Install Manual을 참조하여 정확하게 설치 합니다.
- 설치전 차단기 전원 차단
- 접지저항 측정 (10Ω 이하 권고)
- 서지보호기 부착 고정
- 접지 부스에 접지측 전선 접속 (녹색)
- 차단기 2차측 단자에 나머지 배선 접속 (L1, L2, L3, N 등)
- 차단기 전원 투입 및 상태 확인




'센서와 스위치 > Others' 카테고리의 다른 글
| 무정전전원장치(UPS)에 대하여 (1) | 2022.10.18 |
|---|---|
| 플랜지(Flange)에 대하여 (2) | 2022.10.12 |
| RTCA/DO-160에 대하여 (1) | 2022.10.09 |
| 가변저항(Potentiometer)에 대하여 (1) | 2022.10.08 |
| 나사산(Thread)에 대하여 (3) | 2022.10.06 |