안녕하세요, 센서와 스위치를 다잡는 센서보이 입니다.
이번 글에서는 오뚜기 레벨 스위치(Quick Float Level Switch)에 대해 알아보겠습니다.
오뚜기 레벨 스위치는 2개 ~ 5개의 둥근 부력체가 달린 형태의 레벨스위치 입니다.
Polyethylene/ABS/PVC 등 내화학성에 강한 재질로 구성되기 때문에 오수탱크, 빗물탱크, 오물탱크, 인분탱크 등에 많이 적용됩니다.
그리고 부력체와 헤드가 케이블로 연결되어 있기 때문에, 사용자가 레벨 스위칭 포인트를 마음대로 조절할 수 있습니다.
오뚜기 레벨 스위치 동작방법
부력체 내부의 구슬이 부력체의 상승에 의해 이동하여, 내부에 부착된 Limit Switch를 동작시켜 접점출력을 내보는 구조입니다.
기구적인 구조로 되어있기 때문에 고장률이 매우 낮으며, 가격도 매우 저렴합니다
그리고, 내부 리미트 스위치 자체로는 정격 전류/전압이 매우 낮아 펌프를 직접 구동할 수 없기 때문에, 내장 또는 외장 Controller를 같이 사용하는 경우가 일반적입니다.


오뚜기 레벨 스위치 결선방법
2접점식 오뚜기 레벨스위치
접점 수가 적으므로, 헤드 부분에 내장 콘트롤러가 삽입되어 있는 구조입니다.
1, 3, 4번 단자에 스위치를 연결합니다.
5, 6, 8번 단자에는 펌프 구동용 컨택트를 연결합니다.
2, 7번은 콘트롤러 구동용 전원을 연결합니다.
Low Level일 때 1-3번 스위치가 붙으며, High Level일 때 1-4번 스위치가 붙습니다.
콘트롤러는 이 접점을 받아 설정된 ON/OFF 로직에 따라 5-8번, 6-8번 접점이 ON/OFF 되며, 이 접점으로 펌푸 구동용 컨택트를 온오프 시키게 됩니다.
현장에서도 간단하게 결선이 가능하며, 누구나 어렵지 않게 설치 및 운용이 가능합니다.

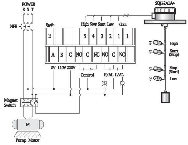
4접점식 오뚜기 레벨스위치
4접점식 제품은 접점수가 많으므로 별도 콘트롤러를 사용합니다.
1,2,3,4,5번 단자에 레벨스위치 연결합니다.
A,B,C번 단자에 콘트롤러 전원을 연결합니다.
NO,C, NC (Control) 단자는 펌프 구동용 콘택트를 연결합니다.
NO, C, NC (H/AL, L/AL) 단자는 High / Low 알람 램프 또는 알람 접점 출력을 PLC 등에 연결합니다.
E 단자는 콘트롤러의 접지 단자이며, 접지가 있으면 연결합니다.
기본적인 동작은 2접점식 제품과 동일하며, High/Low Alarm 출력이 추가된 제품입니다.
1-2, 1-5번 단자가 붙으면 High/Low Alarm이 울리며, 1-3, 1-4번 단자가 붙으면 펌프 구동용 접점이 ON/OFF 됩니다.
이 제품은 콘트롤러가 별도 판넬에 부착되기 때문에, 스위치에서 판넬까지 선을 끌어와야 합니다.
결선 시, 이 선들이 서로 햇갈리지 않도록 꼭 체크하여 잘못된 결선으로 인해 펌프가 공회전 하거나 제때 동작하지 않아 오수 등이 넘치는 일이 발생하지 않도록 주의해야 합니다.


'센서와 스위치 > Switch' 카테고리의 다른 글
| 푸쉬버튼(Push Button)에 대하여 (1) | 2022.11.10 |
|---|---|
| 접점(Contact)에 대하여 (1) | 2022.10.24 |
| 리미트스위치(Limit Switch)에 대하여 (1) | 2022.09.30 |
| 온도스위치(Temperature Switch)에 대하여 (2) | 2022.01.12 |
| 레벨스위치(Level Switch)에 대하여 (0) | 2022.01.11 |